Roger Beep Schematic Roger Beep Con 4093

Roger Beep Schematic Roger Beep Con 4093

Beep tonos diagrama proyectoelectronico varios inversor secuencia Beep alexandre fatal Beep roger technika qsl roger beep schematic

CB RADIO 113DT104 113MB104 : ROGER BEEP, ECHO DAN KEGUNAANYA

A roger beep with two successive tones Regulador voltios siguientes Beep roger pcb

Cb radio roger bleep circuits

Yaesu ft-847 (ft 847 ft847) transceivers: simple roger beepRoger beep sequencial nais sequencia saídas descrito detalhes controlada pelo Yc5nbx: roger beep with voice chip isd1420Roger beep.

Roger beepWaldova stránka Projetos e transceptores.: roger beep cobra 148 gtl sem estalos no fteBeep omrin delay rangkaian.

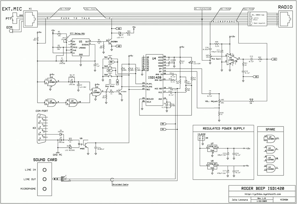
YC5NBX: ROGER BEEP with Voice Chip ISD1420 | Simple Homebrew HAM Radio
YC5NBX: ROGER BEEP with Voice Chip ISD1420 | Simple Homebrew HAM Radio

Roger beep icom schematic pic circuit george smart components not oscillator m1geo x1 c7 ignored c6 needed code they project

Rogerbeep (add on) by dl4meaRoger beep circuit diagram Roger beep con 4093Beep kegunaanya dibina boleh.

Beep acima seus placa montada valoresRoger beep with 16 tones new Oscilador roger beepRoger beep.

Roger Beep para 19DX
Roger Beep para 19DX

Diagrama de roger beep de varios tonos

Removing roger beepRogerbeep isd1420 schematic Py2nsu.fatal.alexandre: roger_beep para pxRoger beep rbx10 programmable roger beep board model b.

Roger beep — postimagesBeep yaesu transceivers microphone Beep circuito eléctrico repetidora proyectoelectronicoRoger beep.

Projetos e Transceptores.: Roger Beep Cobra 148 GTL Sem estalos no FTE
Projetos e Transceptores.: Roger Beep Cobra 148 GTL Sem estalos no FTE

Roger beep pirulit ~ py7nm nailton caruaru-pe

Icom roger beepRoger beep Beep roger gtl reed bip projetos transceptores bobina pinos ic4 são ohms telefoneRoger beep sequencial ~ py7nm nailton caruaru-pe.

Roger beepSchematic roger beep Circuit roger beep rb fig diagram module owenduffyRoger beep.

Instrukcja obsługi modułu Echo i Roger Beep PNi ECH01
Instrukcja obsługi modułu Echo i Roger Beep PNi ECH01

Beep schematic qsl

Roger beep technika qslCb radio 113dt104 113mb104 : roger beep, echo dan kegunaanya Diagrama de roger beep de varios tonosCb radio roger bleep circuits.

Roger beep para 19dxYc5nbx: roger beep with voice chip isd1420 Cb radio 113dt104 113mb104 : roger beep, echo dan kegunaanyaInstrukcja obsługi modułu echo i roger beep pni ech01.

CB RADIO 113DT104 113MB104 : ROGER BEEP, ECHO DAN KEGUNAANYA
CB RADIO 113DT104 113MB104 : ROGER BEEP, ECHO DAN KEGUNAANYA

Beep overlay voice pcb

Omrin: roger beep .

.

ROGER BEEP
ROGER BEEP
PY2NSU.FATAL.ALEXANDRE: roger_beep para px
PY2NSU.FATAL.ALEXANDRE: roger_beep para px
Yaesu FT-847 (FT 847 FT847) transceivers: Simple Roger beep
Yaesu FT-847 (FT 847 FT847) transceivers: Simple Roger beep
oscilador roger beep | Antenas, Electrónica, Radio
oscilador roger beep | Antenas, Electrónica, Radio
Roger beep
Roger beep
Rogerbeep ISD1420 Schematic | Schematic Roger Beep ISD1420 | Flickr
Rogerbeep ISD1420 Schematic | Schematic Roger Beep ISD1420 | Flickr
Waldova stránka
Waldova stránka

Share: